- 產品介紹
單葉輪7.5kw漩渦氣泵型號:2GH810-H17
具體參數如下:

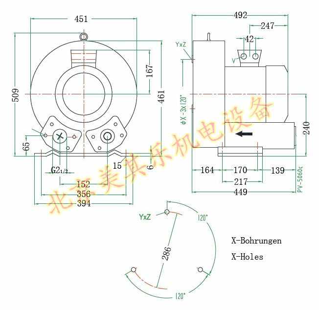
7.5kw漩渦氣泵尺寸圖:

具體參數如下:
| 50HZ參數 | 60HZ參數 | |||||
| 葉輪: | 單 | (級) | 葉輪: | 單 | (級) | |
| 功率: | 7.5 | (Kw) | 功率: | 8.6 | (Kw) | |
| 輸入電壓: | 345-415△600-720Y | (V) | 輸入電壓: | 380-480△660-720Y | (V) | |
| 電流: | 16.7△/9.6Y | (A) | 電流: | 17.3△/10.0Y | (A) | |
| 噪音: | 70 | dB(A) | 噪音: | 74 | dB(A) | |
| 重量: | 74 | (Kg) | 重量: | 74 | (Kg) | |
| 排吸氣量: | 700 | (m3/h) | 排吸氣量: | 840 | (m3/h) | |
| 吸入壓力: | -270 | (mbar) | 吸入壓力: | -270 | (mbar) | |
| 排氣壓力: | 260 | (mbar) | 排氣壓力: | 260 | (mbar) |

7.5kw漩渦氣泵尺寸圖:








